- Details
- More images
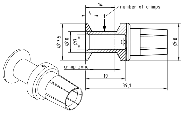
Products description
TC200 crimp contact female
silver plated
wire gauge 25 mm˛
Manufacturer
Harting Deutschland GmbH & Co. KG
Simeonscarré 1
32427 Minden
Germany
info@harting.com
https://www.harting.de
Simeonscarré 1
32427 Minden
Germany
info@harting.com
https://www.harting.de
Categories
Welcome back!
Last viewed:
